




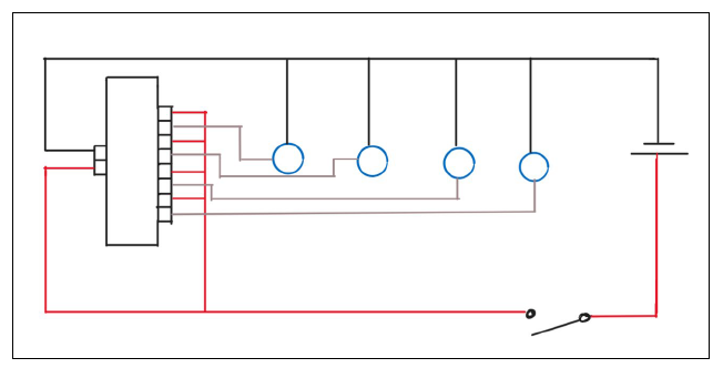
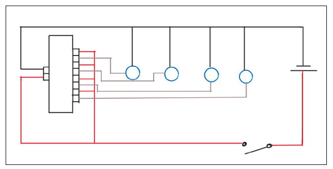
In my first Co-op term, I designed and built a solution for communicating from the back to the front (driver) of a raspberry harvester. My solution was a traffic light-style Bluetooth device, which was controlled by a wearable wireless controller which each worker on the rear of the machine had.
The wiring for the device included 4 LED lights with a shroud to increase visibility, a simple Bluetooth controller with 4 small relays programmed to respond to the corresponding buttons on the remote. The device was powered by a standard 18V power tool battery for ease of use. The device was utilized for both the 2024 and 2025 harvests.















For an engineering design project, my group and I created a device that helped conduct the Michelson-Morley experiment more accurately. The goal was to create a device that moved the microscope forward and backward in the degree of micrometres to ensure the best results.
The initial group designs and the device which we aimed to replace are shown in the images to the left. In this project, I oversaw the machinework and created the final drawings with correct design specifications and tolerances.









The device used a tight pitch threaded rod which was held in place by a spring, the project required 3-4cm of total movement while moving with a precision of 1um. Both these deliverables were complete.
Within this project, I created all necessary CAD files while working alongside the machinist to learn how to effectively communicate the project goals and requirements.
The finalized linear guide system is still in use in the upper-level physics laboratory at UFV. A video of the model in use is shown to the right.






The project goal was to create a maze-solving robot which did not need any human input along the way. For the project, our group used an Arduino UNO, 4 electric motors, several IR and sonar sensors, a servo and a LiPo battery. For this project, I was in charge of building the robot, including creating the body and running the appropriate wires to their connections.








